Ellel Grange
Ellel Grange
A Grade II listed country house believed to have been built in 1857-59 by John Weightman, in the Italianate Villa style, as a copy of Queen Victoria’s Osborne House. It was converted to a Christian retreat centre in the 1980s when most of the bedrooms were sub-divided to form bedrooms with en-suite accommodation. The building had been maintained by volunteers since its conversion and this was the first comprehensive survey that had been carried out on the condition of the building since then.
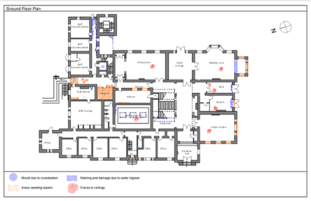
The Public areas of the building had been well maintained and care had been taken to conserve the features described in the listing. Other areas were less well maintained and the roof in particular was causing problems during heavy rain. The chimneys were also becoming unstable.
A measured survey was included as part of the report to help identify patterns of deterioration and to highlight problem areas. This is particularly helpful for communicating our findings to the client. Part of my brief also included an assessment of the only ground floor suite in relation to its suitability for accessible accommodation. We provided proposals for alternative arrangements that would have little impact on the original structure and architectural features. The report also included recommendations for repairs and maintenance along with some rough cost estimates.


